人离变压器多远才安全?
[2019-11-27]
变压器,主要用来改变电压。没有它,发电厂的电居民用不了。普通人到底离变压器多远才算安全呢? 不要着急。先来看看变压器的分类。普通人经常看到的应该是10—35千伏以下的配电..
变压器爆炸原因分析及预防
[2019-11-27]
事故聚焦 2016年6月18日凌晨零点二十分左右,位于西安南郊长安区某变电站发生闪爆。附近两公里内可见火光并伴随爆炸声,西安部分区域停电,据报道3名路人不同程度受伤。这起爆炸..
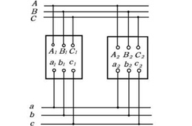
变压器并联运行的条件和优点
[2019-11-27]
所谓变压器的并联运行,是指变压器的原绕组都接在某一电压等级的公共母线上,而各变压器的副绕组也都接在另一电压等级的公共母线上,共同向负载供电的运行方式。 变压器并列运行..
变压器检修基础知识
[2019-11-27]
1.两台变压器并列应具备哪些条件? (1)变比相同; (2)短路阻抗相同; (3)接线组别相同; (4)相序相同; 2.变压器的冷却方式有哪几种? (1)油浸自冷;..
变压器的安装细则及注意事项
[2019-11-27]
1 作业条件 施工图及技术资料齐全无误。建工程基本施工完毕,标高、尺寸、结构及预埋件强度符合设计要求。屋面、屋顶喷浆完毕,屋顶无漏水,门窗及玻璃安装完好。室内粗制地面工..